2025年云南特种设备作业人员证考试培训班报考简章-考试工种介绍
01
特种设备的定义
《特种设备安全监察条例》第三十八条:“锅炉、压力容器、电梯、起重机械、客运索道、大型游乐设施、场(厂)内专用机动车辆的作业人员及其相关管理人员,应当按照国家有关规定经特种设备安全监督管理部门考核合格,取得国家统一格式的特种作业人员证书,方可从事相应的作业或者管理工作。”
特种设备是指涉及生命安全、危险性较大的锅炉、压力容器(含气瓶,下同)、压力管道、电梯、起重机械、客运索道、大型游乐设施和场(厂)内专用机动车辆。
报名咨询:19963276227 吴老师(微信同号)
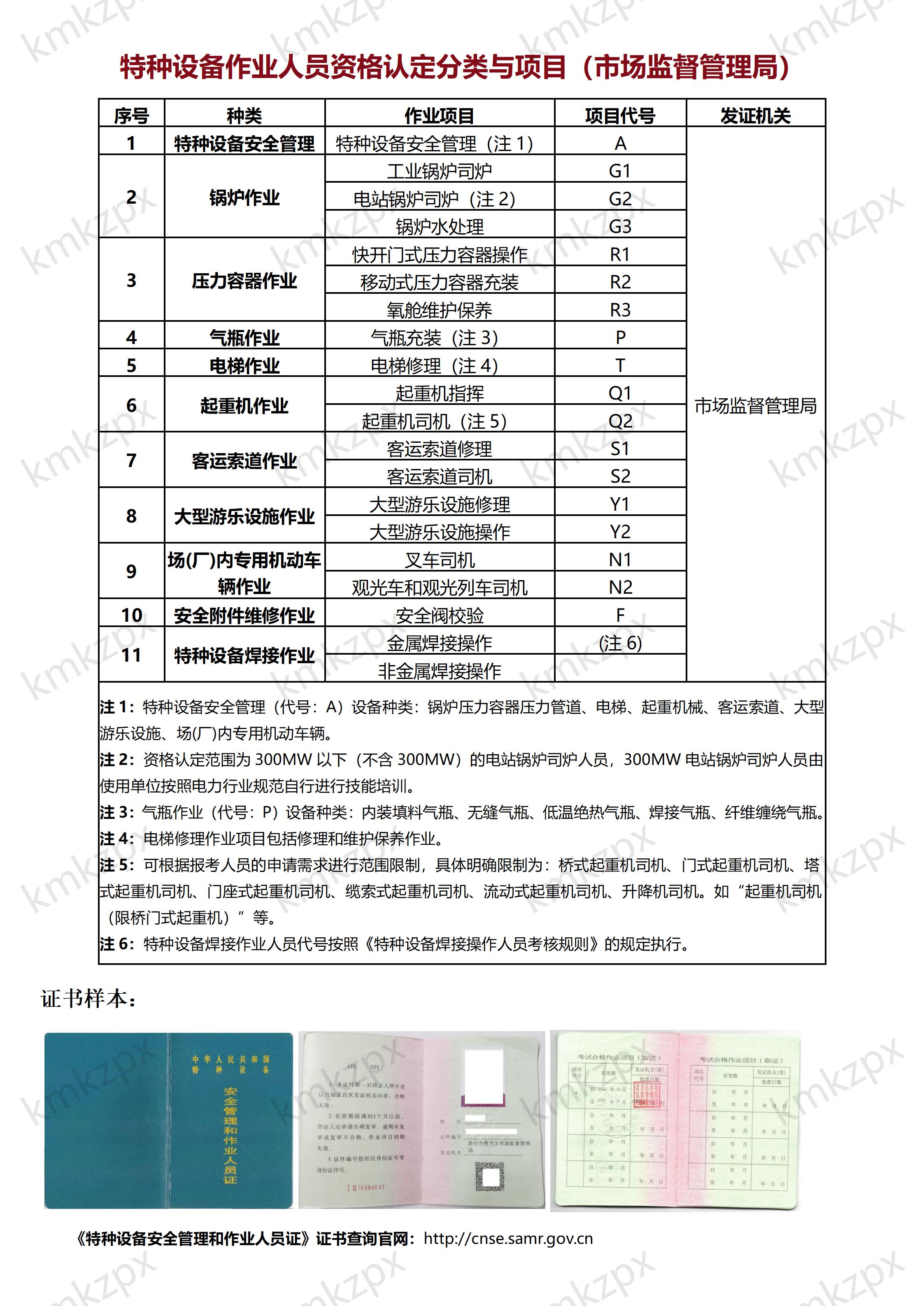
02
特种设备工种目录

03
报名条件:
(一)年龄 18 周岁以上且不超过 60 周岁,并且具有完全民事行为能力;
(二)无妨碍从事作业的疾病和生理缺陷,并且满足申请从事的作业项目对身体条件的要求;
(三)具有初中以上学历,并且满足相应申请作业项目要求的文化程度;
(四)符合相应的考试大纲的专项要求。
04
报名需要资料:
1、身份证正反面照片;
2、电子版白底照片;
3、初中及以上文化程度毕业证照片;
4、常规体检表1份(1年以内有效)
05
考试形式:
本人参考、单人单桌、电脑考试、考试理论+实操,满分均为100分,及格分为70分。
06
考试要求:
必须通过专门的考试。考试分为理论知识考试和操作技能考试,所有的特种设备安全管理人员只需要通过理论知识考试,特种设备作业人员必须要通过理论知识考试考试和操作技能考试。考试均为百分制,单科成绩达到70分以上为合格。单项科目不合格者,可以补考一次。各科均合格,评定为考试合格。考试成绩合格的,予以审批发证。
07
证书样本及证书查询官网::
证书样本:

特种设备作业人员证书查询网址:
https://cnse.samr.gov.cn/info-pub/pub
08
报考流程及报名方式:
提交资料报名并缴费,报名后开通网上理论课程学习,参加线下培训和考试,最后等着拿证就行,早报名、早学习、早安排考试
报名联系方式:19963276227 吴老师(微信同号)
微信扫一扫二维码即可在线报名


